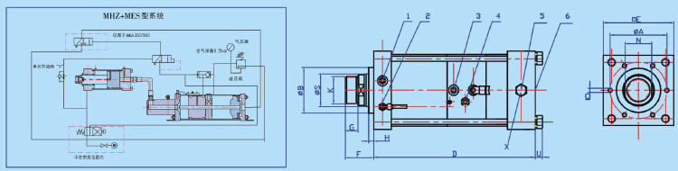
Чистый пневматический газожидкостный бустерный цилиндр ODMT представляет собой комбинация газожидкостного ускорителя MES и рабочего цилиндра MAT OR MHZ. Это может приводиться в движение сжатым воздухом максимум 6 бар или 8 бар и может генерировать 2KN-2000KN давление. Гидравлическое давление сохраняется в MES без нужна гидравлическая система. Простая структура, с абсолютно строгим газожидкостным изоляционное уплотнение.
Управление аналогично общему управлению цилиндром двойного действия, которое прост и надежен, низкое энергопотребление, отсутствие ударов и шума.
Каждый рабочий процесс состоит из следующих трех маршрутов:
(1) Чистый пневматический быстрый ход;
(2) силовой ход газожидкостного наддува;
(3) Пневматический ход спины.
Заявка:
Баллон газовый гидроусилителя типа МТ можно использовать в приложения с большим ходом силы и / или небольшим монтажным пространством. Набор из Газожидкостные баллоны МП состоят из газожидкостного ускорителя MES и одного или больше рабочих цилиндров. Существует два типа рабочих цилиндров: MAT-тип газогидравлический цилиндр или специальный гидравлический цилиндр типа MHY. Газ-жидкость Усилитель MES устанавливается отдельно от рабочего цилиндра MAT или MHZ и соединен шлангом высокого давления;
Максимальное давление воздуха вождения: 6 бар или 8 бар;
Ударное давление: 2KN-2000KN.
| Тип | ход тк | FKH t | ФЭ кгс | ФРХ кгс | V куб.см | △ V1 куб.см | △ V2 См | E | D | C | A | V | B | H | S | F | K | G | N | U | X |
MAT1 | 50 | 1.3 | 69 | 72 | 0.31 | 0.6 | 0.4 | 50 | 229 | 6-M6 * 11 | 40 | G1 / 8 | 30 | 10 | 16 | 36 | M12 * 1,5 | 12 | 14 | 6 | G1 / 2 |
MAT1 | 100 | 1.3 | 69 | 72 | 0.31 | 1.0 | 0.4 | 50 | 329 | 6-M6 * 11 | 40 | G1 / 8 | 30 | 10 | 16 | 36 | M12 * 1,5 | 12 | 14 | 6 | G1 / 2 |
MAT1 | 200 | 1.3 | 69 | 72 | 0.31 | 1.8 | 0.4 | 50 | 529 | 6-M6 * 11 | 40 | G1 / 8 | 30 | 10 | 16 | 36 | M12 * 1,5 | 12 | 14 | 6 | G1 / 2 |
MAT1 | 250 | 1.3 | 69 | 72 | 0.31 | 2.3 | 0.4 | 50 | 629 | 6-M6 * 11 | 40 | G1 / 8 | 30 | 10 | 16 | 36 | M12 * 1,5 | 12 | 14 | 6 | G1 / 2 |
MAT2 | 50 | 2.1 | 140 | 150 | 0.49 | 0.8 | 0.7 | 70 | 242 | 6-M8 * 12 | 54 | G1 / 4 | 40 | 10 | 20 | 41 | М16 * 1,5 | 15 | 17 | 8 | G1 / 2 |
MAT2 | 100 | 2.1 | 140 | 150 | 0.49 | 1.4 | 0.7 | 70 | 342 | 6-M8 * 12 | 54 | G1 / 4 | 40 | 10 | 20 | 41 | М16 * 1,5 | 15 | 17 | 8 | G1 / 2 |
MAT2 | 200 | 2.1 | 140 | 150 | 0.49 | 2.6 | 0.7 | 70 | 542 | 6-M8 * 12 | 54 | G1 / 4 | 40 | 10 | 20 | 41 | М16 * 1,5 | 15 | 17 | 8 | G1 / 2 |
MAT2 | 300 | 2.1 | 140 | 150 | 0.49 | 3.9 | 0.7 | 70 | 742 | 6-M8 * 12 | 54 | G1 / 4 | 40 | 10 | 20 | 41 | М16 * 1,5 | 15 | 17 | 8 | G1 / 2 |
mat4 | 50 | 4.2 | 180 | 195 | 1.02 | 2.3 | 0.7 | 85 | 258 | 6-M8 * 15 | 64 | G3 / 8 | 50 | 10 | 30 | 48.5 | М22 * 2 | 20 | 24 | 10 | G1 / 2 |
mat4 | 100 | 4.2 | 180 | 195 | 1.02 | 3.1 | 0.7 | 85 | 355 | 6-M8 * 15 | 64 | G3 / 8 | 50 | 10 | 30 | 48.5 | М22 * 2 | 20 | 24 | 10 | G1 / 2 |
mat4 | 200 | 4.2 | 180 | 195 | 1.02 | 5.6 | 0.7 | 85 | 555 | 6-M8 * 15 | 64 | G3 / 8 | 50 | 10 | 30 | 48.5 | М22 * 2 | 20 | 24 | 10 | G1 / 2 |
mat4 | 300 | 4.2 | 180 | 195 | 1.02 | 8.1 | 0.7 | 85 | 755 | 6-M8 * 15 | 64 | G3 / 8 | 50 | 10 | 30 | 48.5 | М22 * 2 | 20 | 24 | 10 | G1 / 2 |
mat4 | 400 | 4.2 | 180 | 195 | 1.02 | 10.6 | 0.7 | 85 | 955 | 6-M8 * 15 | 64 | G3 / 8 | 50 | 10 | 30 | 48.5 | М22 * 2 | 20 | 24 | 10 | G1 / 2 |
MAT8 | 50 | 8.1 | 320 | 330 | 1.96 | 5.6 | 0.9 | 110 | 288 | 6-М10 * 16 | 88 | G1 / 2 | 70 | 10 | 45 | 60 | M30 * 2 | 25 | 36 | 12 | G3 / 4 |
MAT8 | 100 | 8.1 | 320 | 330 | 1.96 | 5.7 | 0.9 | 110 | 371 | 6-М10 * 16 | 88 | G1 / 2 | 70 | 10 | 45 | 60 | M30 * 2 | 25 | 36 | 12 | G3 / 4 |
MAT8 | 200 | 8.1 | 320 | 330 | 1.96 | 10.4 | 0.9 | 110 | 571 | 6-М10 * 16 | 88 | G1 / 2 | 70 | 10 | 45 | 60 | M30 * 2 | 25 | 36 | 12 | G3 / 4 |
MAT8 | 300 | 8.1 | 320 | 330 | 1.96 | 15.0 | 0.9 | 110 | 771 | 6-М10 * 16 | 88 | G1 / 2 | 70 | 10 | 45 | 60 | M30 * 2 | 25 | 36 | 12 | G3 / 4 |
MAT8 | 400 | 8.1 | 320 | 330 | 1.96 | 19.7 | 0.9 | 110 | 971 | 6-М10 * 16 | 88 | G1 / 2 | 70 | 10 | 45 | 60 | M30 * 2 | 25 | 36 | 12 | G3 / 4 |
MAT15 | 50 | 15.8 | 450 | 550 | 3.85 | 9.2 | 1.1 | 135 | 293 | 6-М16 * 25 | 100 | G1 / 2 | 75 | 15 | 50 | 61 | M30 * 2 | 25 | 41 | 16 | G1 |
MAT15 | 100 | 15.8 | 450 | 550 | 3.85 | 10.1 | 1.1 | 135 | 381 | 6-М16 * 25 | 100 | G1 / 2 | 75 | 15 | 50 | 61 | M30 * 2 | 25 | 41 | 16 | G1 |
MAT15 | 200 | 15.8 | 450 | 550 | 3.85 | 19.7 | 1.1 | 135 | 581 | 6-М16 * 25 | 100 | G1 / 2 | 75 | 15 | 50 | 61 | M30 * 2 | 25 | 41 | 16 | G1 |
MAT15 | 300 | 15.8 | 450 | 550 | 3.85 | 28.1 | 1.1 | 135 | 781 | 6-М16 * 25 | 100 | G1 / 2 | 75 | 15 | 50 | 61 | M30 * 2 | 25 | 41 | 16 | G1 |
MAT15 | 400 | 15.8 | 450 | 550 | 3.85 | 37.0 | 1.1 | 135 | 981 | 6-М16 * 25 | 100 | G1 / 2 | 75 | 15 | 50 | 61 | M30 * 2 | 25 | 41 | 16 | G1 |
| MAT30 | 50 | 32.0 | 660 | 930 | 7.85 | 19.3 | 2.2 | 170 | 362 | 6-M20 * 30 | 132 | G3 / 4 | 100 | 18 | 56 | 82 | M39 * 2 | 35 | 50 | 22 | G1 |
MAT30 | 100 | 32.0 | 660 | 930 | 7.85 | 22.5 | 2.2 | 170 | 425 | 6-M20 * 30 | 132 | G3 / 4 | 100 | 18 | 56 | 82 | M39 * 2 | 35 | 50 | 22 | G1 |
MAT30 | 200 | 32.0 | 660 | 930 | 7.85 | 40.4 | 2.2 | 170 | 625 | 6-M20 * 30 | 132 | G3 / 4 | 100 | 18 | 56 | 82 | M39 * 2 | 35 | 50 | 22 | G1 |
MAT30 | 300 | 32.0 | 660 | 930 | 7.85 | 58.4 | 2.2 | 170 | 825 | 6-M20 * 30 | 132 | G3 / 4 | 100 | 18 | 56 | 82 | M39 * 2 | 35 | 50 | 22 | G1 |
MAT30 | 400 | 32.0 | 660 | 930 | 7.85 | 76.4 | 2.2 | 170 | 1025 | 6-M20 * 30 | 132 | G3 / 4 | 100 | 18 | 56 | 82 | M39 * 2 | 35 | 50 | 22 | G1 |
| MAT50 | 50 | 49.8 | 720 | 1200 | 12.27 | 34.8 | 2.2 | 200 | 390 | 6-M20 * 30 | 150 | G3 / 4 | 115 | 25 | 63 | 92 | M42 * 2 | 40 | 55 | 30 | G1 |
| MAT50 | 100 | 49.8 | 720 | 1200 | 12.27 | 34.8 | 2.2 | 200 | 440 | 6-M20 * 30 | 150 | G3 / 4 | 115 | 25 | 63 | 92 | M42 * 2 | 40 | 55 | 30 | G1 |
| MAT50 | 200 | 49.8 | 720 | 1200 | 12.27 | 62.7 | 2.2 | 200 | 640 | 6-M20 * 30 | 150 | G3 / 4 | 115 | 25 | 63 | 92 | M42 * 2 | 40 | 55 | 30 | G1 |
| MAT50 | 300 | 49.8 | 720 | 1200 | 12.27 | 90.5 | 2.2 | 200 | 840 | 6-M20 * 30 | 150 | G3 / 4 | 115 | 25 | 63 | 92 | M42 * 2 | 40 | 55 | 30 | G1 |
| MAT100 | 100 | 103.0 | 1260 | 2200 | 25.45 | 71.5 | 3.1 | 310 | 534 | 12-M24 * 40 | 200 | G1 | 150 | 25 | 100 | 120 | М64 * 2 | 60 | 85 | 30 | G1 |
| MAT100 | 200 | 103.0 | 1260 | 2200 | 25.45 | 128.7 | 3.1 | 310 | 734 | 12-M24 * 40 | 200 | G1 | 150 | 25 | 100 | 120 | М64 * 2 | 60 | 85 | 30 | G1 |
| MAT100 | 300 | 103.0 | 1260 | 2200 | 25.45 | 185.9 | 3.1 | 310 | 934 | 12-M24 * 40 | 200 | G1 | 150 | 25 | 100 | 120 | М64 * 2 | 60 | 85 | 30 | G1 |
| MAT200 | 200 | 199,4 * | 1760 | 2860 | 38.01 | 178.8 | 3.6 | 420 | 829 | 18-M30 * 55 | 320 | G3 / 4 | 240 | 35 | 150 | 150 | M80 * 2 | 80 | 4 * ø16 | 30 | G1 |
Чистый пневматический газожидкостный бустерный цилиндр ODMT представляет собой комбинация газожидкостного ускорителя MES и рабочего цилиндра MAT OR MHZ. Это может приводиться в движение сжатым воздухом максимум 6 бар или 8 бар и может генерировать 2KN-2000KN давление. Гидравлическое давление сохраняется в MES без нужна гидравлическая система. Простая структура, с абсолютно строгим газожидкостным изоляционное уплотнение.
Управление аналогично общему управлению цилиндром двойного действия, которое прост и надежен, низкое энергопотребление, отсутствие ударов и шума.
Каждый рабочий процесс состоит из следующих трех маршрутов:
(1) Чистый пневматический быстрый ход;
(2) силовой ход газожидкостного наддува;
(3) Пневматический ход спины.
Заявка:
Баллон газовый гидроусилителя типа МТ можно использовать в приложения с большим ходом силы и / или небольшим монтажным пространством. Набор из Газожидкостные баллоны МП состоят из газожидкостного ускорителя MES и одного или больше рабочих цилиндров. Существует два типа рабочих цилиндров: MAT-тип газогидравлический цилиндр или специальный гидравлический цилиндр типа MHY. Газ-жидкость Усилитель MES устанавливается отдельно от рабочего цилиндра MAT или MHZ и соединен шлангом высокого давления;
Максимальное давление воздуха вождения: 6 бар или 8 бар;
Ударное давление: 2KN-2000KN.
| Тип | ход тк | FKH t | ФЭ кгс | ФРХ кгс | V куб.см | △ V1 куб.см | △ V2 См | E | D | C | A | V | B | H | S | F | K | G | N | U | X |
MAT1 | 50 | 1.3 | 69 | 72 | 0.31 | 0.6 | 0.4 | 50 | 229 | 6-M6 * 11 | 40 | G1 / 8 | 30 | 10 | 16 | 36 | M12 * 1,5 | 12 | 14 | 6 | G1 / 2 |
MAT1 | 100 | 1.3 | 69 | 72 | 0.31 | 1.0 | 0.4 | 50 | 329 | 6-M6 * 11 | 40 | G1 / 8 | 30 | 10 | 16 | 36 | M12 * 1,5 | 12 | 14 | 6 | G1 / 2 |
MAT1 | 200 | 1.3 | 69 | 72 | 0.31 | 1.8 | 0.4 | 50 | 529 | 6-M6 * 11 | 40 | G1 / 8 | 30 | 10 | 16 | 36 | M12 * 1,5 | 12 | 14 | 6 | G1 / 2 |
MAT1 | 250 | 1.3 | 69 | 72 | 0.31 | 2.3 | 0.4 | 50 | 629 | 6-M6 * 11 | 40 | G1 / 8 | 30 | 10 | 16 | 36 | M12 * 1,5 | 12 | 14 | 6 | G1 / 2 |
MAT2 | 50 | 2.1 | 140 | 150 | 0.49 | 0.8 | 0.7 | 70 | 242 | 6-M8 * 12 | 54 | G1 / 4 | 40 | 10 | 20 | 41 | М16 * 1,5 | 15 | 17 | 8 | G1 / 2 |
MAT2 | 100 | 2.1 | 140 | 150 | 0.49 | 1.4 | 0.7 | 70 | 342 | 6-M8 * 12 | 54 | G1 / 4 | 40 | 10 | 20 | 41 | М16 * 1,5 | 15 | 17 | 8 | G1 / 2 |
MAT2 | 200 | 2.1 | 140 | 150 | 0.49 | 2.6 | 0.7 | 70 | 542 | 6-M8 * 12 | 54 | G1 / 4 | 40 | 10 | 20 | 41 | М16 * 1,5 | 15 | 17 | 8 | G1 / 2 |
MAT2 | 300 | 2.1 | 140 | 150 | 0.49 | 3.9 | 0.7 | 70 | 742 | 6-M8 * 12 | 54 | G1 / 4 | 40 | 10 | 20 | 41 | М16 * 1,5 | 15 | 17 | 8 | G1 / 2 |
mat4 | 50 | 4.2 | 180 | 195 | 1.02 | 2.3 | 0.7 | 85 | 258 | 6-M8 * 15 | 64 | G3 / 8 | 50 | 10 | 30 | 48.5 | М22 * 2 | 20 | 24 | 10 | G1 / 2 |
mat4 | 100 | 4.2 | 180 | 195 | 1.02 | 3.1 | 0.7 | 85 | 355 | 6-M8 * 15 | 64 | G3 / 8 | 50 | 10 | 30 | 48.5 | М22 * 2 | 20 | 24 | 10 | G1 / 2 |
mat4 | 200 | 4.2 | 180 | 195 | 1.02 | 5.6 | 0.7 | 85 | 555 | 6-M8 * 15 | 64 | G3 / 8 | 50 | 10 | 30 | 48.5 | М22 * 2 | 20 | 24 | 10 | G1 / 2 |
mat4 | 300 | 4.2 | 180 | 195 | 1.02 | 8.1 | 0.7 | 85 | 755 | 6-M8 * 15 | 64 | G3 / 8 | 50 | 10 | 30 | 48.5 | М22 * 2 | 20 | 24 | 10 | G1 / 2 |
mat4 | 400 | 4.2 | 180 | 195 | 1.02 | 10.6 | 0.7 | 85 | 955 | 6-M8 * 15 | 64 | G3 / 8 | 50 | 10 | 30 | 48.5 | М22 * 2 | 20 | 24 | 10 | G1 / 2 |
MAT8 | 50 | 8.1 | 320 | 330 | 1.96 | 5.6 | 0.9 | 110 | 288 | 6-М10 * 16 | 88 | G1 / 2 | 70 | 10 | 45 | 60 | M30 * 2 | 25 | 36 | 12 | G3 / 4 |
MAT8 | 100 | 8.1 | 320 | 330 | 1.96 | 5.7 | 0.9 | 110 | 371 | 6-М10 * 16 | 88 | G1 / 2 | 70 | 10 | 45 | 60 | M30 * 2 | 25 | 36 | 12 | G3 / 4 |
MAT8 | 200 | 8.1 | 320 | 330 | 1.96 | 10.4 | 0.9 | 110 | 571 | 6-М10 * 16 | 88 | G1 / 2 | 70 | 10 | 45 | 60 | M30 * 2 | 25 | 36 | 12 | G3 / 4 |
MAT8 | 300 | 8.1 | 320 | 330 | 1.96 | 15.0 | 0.9 | 110 | 771 | 6-М10 * 16 | 88 | G1 / 2 | 70 | 10 | 45 | 60 | M30 * 2 | 25 | 36 | 12 | G3 / 4 |
MAT8 | 400 | 8.1 | 320 | 330 | 1.96 | 19.7 | 0.9 | 110 | 971 | 6-М10 * 16 | 88 | G1 / 2 | 70 | 10 | 45 | 60 | M30 * 2 | 25 | 36 | 12 | G3 / 4 |
MAT15 | 50 | 15.8 | 450 | 550 | 3.85 | 9.2 | 1.1 | 135 | 293 | 6-М16 * 25 | 100 | G1 / 2 | 75 | 15 | 50 | 61 | M30 * 2 | 25 | 41 | 16 | G1 |
MAT15 | 100 | 15.8 | 450 | 550 | 3.85 | 10.1 | 1.1 | 135 | 381 | 6-М16 * 25 | 100 | G1 / 2 | 75 | 15 | 50 | 61 | M30 * 2 | 25 | 41 | 16 | G1 |
MAT15 | 200 | 15.8 | 450 | 550 | 3.85 | 19.7 | 1.1 | 135 | 581 | 6-М16 * 25 | 100 | G1 / 2 | 75 | 15 | 50 | 61 | M30 * 2 | 25 | 41 | 16 | G1 |
MAT15 | 300 | 15.8 | 450 | 550 | 3.85 | 28.1 | 1.1 | 135 | 781 | 6-М16 * 25 | 100 | G1 / 2 | 75 | 15 | 50 | 61 | M30 * 2 | 25 | 41 | 16 | G1 |
MAT15 | 400 | 15.8 | 450 | 550 | 3.85 | 37.0 | 1.1 | 135 | 981 | 6-М16 * 25 | 100 | G1 / 2 | 75 | 15 | 50 | 61 | M30 * 2 | 25 | 41 | 16 | G1 |
| MAT30 | 50 | 32.0 | 660 | 930 | 7.85 | 19.3 | 2.2 | 170 | 362 | 6-M20 * 30 | 132 | G3 / 4 | 100 | 18 | 56 | 82 | M39 * 2 | 35 | 50 | 22 | G1 |
MAT30 | 100 | 32.0 | 660 | 930 | 7.85 | 22.5 | 2.2 | 170 | 425 | 6-M20 * 30 | 132 | G3 / 4 | 100 | 18 | 56 | 82 | M39 * 2 | 35 | 50 | 22 | G1 |
MAT30 | 200 | 32.0 | 660 | 930 | 7.85 | 40.4 | 2.2 | 170 | 625 | 6-M20 * 30 | 132 | G3 / 4 | 100 | 18 | 56 | 82 | M39 * 2 | 35 | 50 | 22 | G1 |
MAT30 | 300 | 32.0 | 660 | 930 | 7.85 | 58.4 | 2.2 | 170 | 825 | 6-M20 * 30 | 132 | G3 / 4 | 100 | 18 | 56 | 82 | M39 * 2 | 35 | 50 | 22 | G1 |
MAT30 | 400 | 32.0 | 660 | 930 | 7.85 | 76.4 | 2.2 | 170 | 1025 | 6-M20 * 30 | 132 | G3 / 4 | 100 | 18 | 56 | 82 | M39 * 2 | 35 | 50 | 22 | G1 |
| MAT50 | 50 | 49.8 | 720 | 1200 | 12.27 | 34.8 | 2.2 | 200 | 390 | 6-M20 * 30 | 150 | G3 / 4 | 115 | 25 | 63 | 92 | M42 * 2 | 40 | 55 | 30 | G1 |
| MAT50 | 100 | 49.8 | 720 | 1200 | 12.27 | 34.8 | 2.2 | 200 | 440 | 6-M20 * 30 | 150 | G3 / 4 | 115 | 25 | 63 | 92 | M42 * 2 | 40 | 55 | 30 | G1 |
| MAT50 | 200 | 49.8 | 720 | 1200 | 12.27 | 62.7 | 2.2 | 200 | 640 | 6-M20 * 30 | 150 | G3 / 4 | 115 | 25 | 63 | 92 | M42 * 2 | 40 | 55 | 30 | G1 |
| MAT50 | 300 | 49.8 | 720 | 1200 | 12.27 | 90.5 | 2.2 | 200 | 840 | 6-M20 * 30 | 150 | G3 / 4 | 115 | 25 | 63 | 92 | M42 * 2 | 40 | 55 | 30 | G1 |
| MAT100 | 100 | 103.0 | 1260 | 2200 | 25.45 | 71.5 | 3.1 | 310 | 534 | 12-M24 * 40 | 200 | G1 | 150 | 25 | 100 | 120 | М64 * 2 | 60 | 85 | 30 | G1 |
| MAT100 | 200 | 103.0 | 1260 | 2200 | 25.45 | 128.7 | 3.1 | 310 | 734 | 12-M24 * 40 | 200 | G1 | 150 | 25 | 100 | 120 | М64 * 2 | 60 | 85 | 30 | G1 |
| MAT100 | 300 | 103.0 | 1260 | 2200 | 25.45 | 185.9 | 3.1 | 310 | 934 | 12-M24 * 40 | 200 | G1 | 150 | 25 | 100 | 120 | М64 * 2 | 60 | 85 | 30 | G1 |
| MAT200 | 200 | 199,4 * | 1760 | 2860 | 38.01 | 178.8 | 3.6 | 420 | 829 | 18-M30 * 55 | 320 | G3 / 4 | 240 | 35 | 150 | 150 | M80 * 2 | 80 | 4 * ø16 | 30 | G1 |
Мы горячо приветствуем дилеров, как внутри страны, так и за рубежом, чтобы вести переговоры о бизнесе и работать вместе с нами для достижения прогресса.
Дом | Насчет нас | Товары | завод | Новости | партнер | Связаться с нами